LOADCELL SQB KELI 2 TẤN
Nhập khẩu trực tiếp từ thương hiệu Keli, Trung Quốc, loadcell SQB Keli 2 tấn do Công ty CPCN Tự động Tân Phát cung cấp đảm bảo chính hãng, chất lượng cao, độ ổn định tốt và thời gian sử dụng lâu dài. Đây là loại cảm biến lực dạng thanh thường được sử dụng trong các loại cân bàn, cân sàn điện tử 1 tấn, 2 tấn, 3 tấn và 5 tấn.

Loadcell thanh SQB 2 tấn được sản xuất bởi thương hiệu Keli
Thông số kỹ thuật loadcell SQB Keli 2 tấn - Cảm biến lực SQB dạng thanh
|
Model |
SQB |
|
Thương hiệu |
Keli |
|
Xuất xứ |
Trung Quốc |
|
Đơn vị cung cấp |
|
|
Thời hạn bảo hành |
12 tháng |
|
Tải trọng |
2 tấn (2.000kg) |
|
Độ phân giải |
3±0.003 mV/V |
|
Điện trở đầu vào |
400±20Ω |
|
Điện trở đầu ra |
352±3Ω |
|
Điện trở cách điện |
≥5000MΩ |
|
Dải nhiệt độ hoạt động |
-30 đến +70℃ |
|
Quá tải an toàn |
150%FS |
|
Quá tải phá hủy |
200 %FS |
|
Điện áp hoạt động |
10~12V DC |
|
Điện áp kích lớn nhất |
15V DC |
|
Độ trễ |
±0,02% FS |
|
Sai số |
± 0.03% FS(thép hợp kim) ± 0,05% FS (thép không gỉ) |
|
Cấp bảo vệ |
IP68 |
|
Chất liệu |
Thép hợp kim mạ niken Thép không gỉ |
|
Ứng dụng |
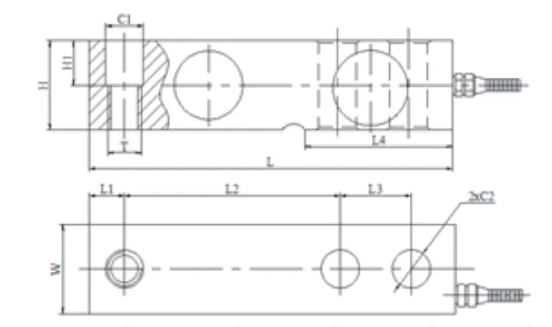
Bản vẽ cấu tạo chi tiết loadcell SQB Keli 2 tấn

Bản vẽ cấu tạo chi tiết loadcell SQB 2 tấn
| L | L1 | L2 | L3 | L4 | H | H1 | W | C1 | C2 | T |
| 130 | 12.7 | 76.2 | 25.4 | 53.5 | 31.8 | 15.7 | 31.8 | Φ13.5 | Φ13 | M12 |
Hình ảnh thực tế loadcell SQB Keli 2 tấn

Loadcell SQB 2 tấn được sử dụng lắp đặt phổ biến trong các loại cân bàn, cân sàn điện tử có khả năng chịu tải từ1 tấn, 2 tấn, 3 tấn đến 5 tấn.

Loadcell SQB dạng thanh có 2 đầu, 1 đầu sẽ được gắn cố định vào bàn cân, đầu còn lại được thả tự do

Chất liệu cấu thành cảm biến lực là thép không gỉ, có khả năng chịu lực và các tác động từ môi trường bên ngoài, độ ổn định và độ bền cao

Sản phẩm được Tân Phát nhập khẩu trực tiếp, chính ngạch từ thương hiệu Keli. Giấy tờ kiểm định chất lượng, chứng minh nguồn gốc, CO, CQ đầy đủ
Báo giá loadcell SQB Keli 2 tấn tại Tân Phát
Giá loadcell SQB 2 tấn của thương hiệu Keli tốt hơn nhiều so với những loại cảm biến lực khác cùng tải trọng. Với giá tốt cùng thiết kế nhỏ gọn, dễ lắp đặt, có tính chính xác và độ ổn định cao nên loại loadcell này hiện đang được sử dụng phổ biến trên thị trường.
Là đơn vị nhập khẩu trực tiếp loadcell SQB 2 tấn tại xưởng của Keli, Trung Quốc, Tân Phát đảm bảo mang đến cho quý khách hàng sản phẩm chính hãng, chất lượng cao, sử dụng lâu dài với giá tốt.
Đồng thời, khi mua loadcell thanh SQB 2 tấn tại Tân Phát, quý khách hàng sẽ được bảo hành sản phẩm 12 tháng miễn phí, hỗ trợ tư vấn sửa chữa sản phẩm trọn đời.
*Xem cách lắp đặt và tính năng của loadcell SQB Keli tại: https://thietbidien88.com/loadcell-sqb
*Xem thêm các loại loadcell SQB khác tại đây:
- Loadcell SQB Keli 500kg: https://thietbidien88.com/loadcell-sqb-500-kg
- Loadcell SQB Keli 1 tấn: https://thietbidien88.com/loadcell-sqb-keli-1-tan
- Loadcell SQB Keli 3 tấn: https://thietbidien88.com/loadcell-sqb-3-tan
- Loadcell SQB Keli 5 tấn: https://thietbidien88.com/loadcell-sqb-5-tan
Liên hệ ngay để nhận báo giá chi tiết:
CÔNG TY CỔ PHẦN CÔNG NGHỆ TỰ ĐỘNG TÂN PHÁT
- Địa chỉ: VT32, LK4, KĐT Đại Thanh, Tả Thanh Oai, Thanh Trì, Hà Nội
- Hotline: 0963 966 866
- Email: tpautotech01@gmail.com