LOADCELL UDA KELI 100KG
Loadcell UDA Keli 100kg là loại loadcell thanh đơn điểm được sử dụng phổ biến hiện nay trên thị trường. Không chỉ được dùng cho các loại cân bàn điện tử, loadcell UDA 100 tấn còn được lắp đặt rất nhiều trong hệ thống cân đóng bao, cân định lượng,…

Loadcell UDA 100kg Keli do Tân Phát cung cấp chính hãng ra thị trường Việt Nam
✅ Thông số kỹ thuật loadcell UDA Keli 100kg
|
Model |
UDA |
|
Thương hiệu |
Keli |
|
Xuất xứ |
Trung Quốc |
|
Nhà cung cấp |
|
|
Bảo hành |
12 tháng |
|
Công suất định mức |
100kg |
|
Cấp chính xác |
OIML R60 C3 |
|
Điện trở đầu vào |
404±15Ω |
|
Điện trở đầu ra |
350±3Ω |
|
Điện trở khuyến nghị |
> 2000MΩ |
|
Nhiệt độ hoạt động |
-20℃ ~ +50℃ |
|
Điện áp khuyến khích |
10V |
|
Chất liệu |
Nhôm |
|
Chiều dài dây tín hiệu |
2m |
|
Kết cấu dây tín hiệu |
5 lõi |
|
Quá tải an toàn |
150% |
|
Ứng dụng |
Cân bàn điện tử kích thước 50x60cm, 60x80cm, cân băng định lượng, cân bồn…. |
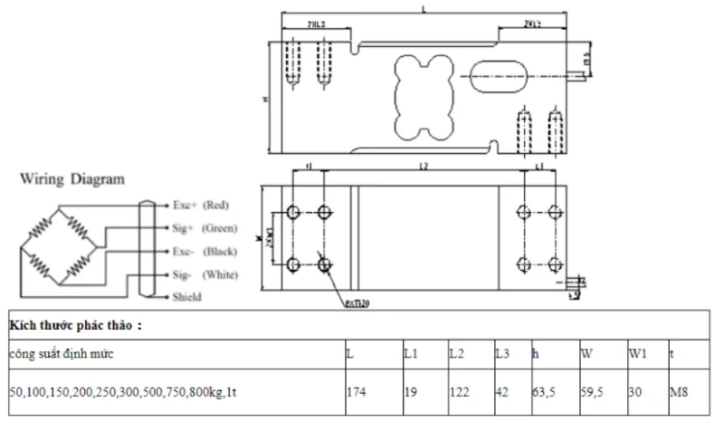
✅ Bản vẽ cấu tạo loadcell UDA Keli 100kg

Bản vẽ cấu tạo chi tiết loadcell UDA 100kg
✅ Hình ảnh thực tế loadcell UDA Keli 100kg

Loadcell UDA 100kg – Cảm biến lực UDA Keli là loại cảm biến dạng thanh, giá rẻ, được sử dụng phổ biến trên thị trường hiện nay.

Bộ cảm biến lực UDA 100kg chuyên được lắp đặt cho các hệ thống cân điện tử <100kg.

UDA được chế tạo từ nhôm, dây tín hiệu ~2m, 5 lõi với 5 màu riêng biệt giúp người dùng dễ dàng lắp đặt, đấu nối
Nhập khẩu trực tiếp, không qua trung gian, loadcell UDA 100kg do Tân Phát cung cấp đảm bảo chất lượng cao, chính hãng, giá tốt bậc nhất thị trường. Do vậy, Tân Phát luôn là địa chỉ được khách hàng và đối tác tin tưởng.
*Xem thêm về giá và cách lắp đặt loadcell UDA Keli tại đây >>> https://thietbidien88.com/loadcell-uda
*Xem thêm các loại loadcell UDA tại đây:
- Loadcell UDA Keli 150kg: https://thietbidien88.com/loadcell-uda-150kg
- Loadcell UDA Keli 300kg: https://thietbidien88.com/loadcell-uda-300kg
- Loadcell UDA Keli 600kg: https://thietbidien88.com/loadcell-uda-600kg
Không chỉ cung cấp các loadcell UDA Keli 100kg nói riêng, loadcell UDA nói chung, tân Phát còn cung cấp đa dạng các loại loadcell của các thương hiệu hàng đầu thế giới như Keli, CAS, Mettler Toledo, Zemic, Amcells,…Quý khách hàng có nhu cầu vui lòng liên hệ tới Tân Phát để được tư vấn và nhận báo giá miễn phí.
*Xem thêm các loại loadcell khác do Tân Phát cung cấp chính hãng tại đây >>> https://thietbidien88.com/loadcell-cam-bien-trong-luong
Liên hệ nhận báo giá ngay:
CÔNG TY CỔ PHẦN CÔNG NGHỆ TỰ ĐỘNG TÂN PHÁT
- Địa chỉ: VT32, LK4, KĐT Đại Thanh, Tả Thanh Oai, Thanh Trì, Hà Nội
- Hotline: 0963 966 866
- Email: tpautotech01@gmail.com