Bộ khuếch đại loadcell KM02A

Liên hệ
Còn hàng

Bộ khuếch đại tín hiệu loadcell KM02A | Thương hiệu: Keli | Nhập khẩu trực tiếp bởi Tân Phát | Bảo hành 12 tháng

Call Icon
Đặt Mua Qua Điện Thoại (8h00 - 20h00) 0963 966 866

Bộ khuếch đại loadcell KM02A – Mạch khuếch đại tín hiệu

Bộ khuếch đại loadcell KM02A là thiết bị được sử dụng với mục đích khếch đại tín hiệu ra của loadcell. KM02A được Tân Phát nhập khẩu trực tiếp và cung cấp chính hãng ra thị trường với chế độ bảo hành đầy đủ.

Bộ khuếch đại tín hiệu KM02A có tác dụng nâng cao tín hiệu dòng và áp của đầu vào cảm biến lực, sau đó, cấp cho hệ thống điều khiển bằng PLC trong các hệ thống dây truyền tự động hóa. Do đó, thiết bị đặc biệt được sử dụng trong các trạm trộn bê tông.

Mạch khuếch đại tín hiệu KM02A Keli

Mạch khuếch đại tín hiệu KM02A Keli

 Thông số kỹ thuật bộ khuếch đại loadcell KM02A

Model

KM02A

Hãng sản xuất

Keli

Nhà cung cấp

Tân Phát

Bảo hành

12 tháng

Kích thước

180x120x45 (mm)

Nguồn điện cấp

DC15V ~ 24V

Nhiệt độ hoạt động

0℃ ~ 85℃

Độ ẩm hoạt động

10% RH ~ 95% RH

Cung cấp

2 ngõ đầu vào

✅ Ưu điểm bộ khuếch đại loadcell KM02A Keli

Bộ khuếch đại loadcell KM02A được sử dụng chủ yếu trong các thiết bị cần đọc, chuẩn hóa và khuếch đại các tín hiệu từ loadcell, kết nối với PLC hoặc các đầu hiển thị. Sản phẩm có khả năng chống nhiễu tốt, vì vậy, được sử dụng phổ biến trong các hệ thống trạm trộn, nơi mà có rất nhiều động cơ cũng như biến tần hoạt động.

Bộ khuếch đại tín hiệu có cách sử dụng rất đa dạng, như làm đầu dò tín hiệu, đầu dò lực, đầu dò độ ẩm, đầu dò trọng lượng,… có chức năng như một thiết bị chuyển đổi các tín hiệu vật lý khác nhau, phụ thuộc vào các tế bào tải (loadcell), tương ứng với các đầu ra tương tự (Analog) 4 ~ 20mA (phổ biến) hoặc 0~10V.

Hình ảnh bên ngoài hộp nối bộ khuếch đại tín hiệu loadcell, sản phẩm mang mã KM02 của hãng Keli. Sản phẩm có kết cấu vỏ bên ngoài bằng thép.

Hình ảnh bên ngoài hộp nối bộ khuếch đại tín hiệu loadcell, sản phẩm mang mã KM02 của hãng Keli. Sản phẩm có kết cấu vỏ bên ngoài bằng thép.

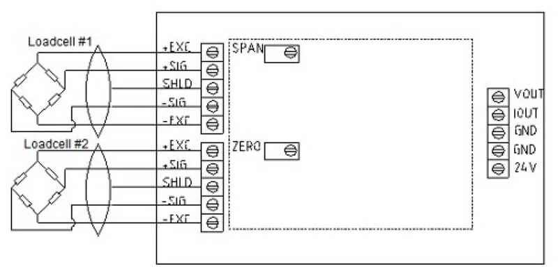
✅ Sơ đồ đấu nối bộ khuếch đại tín hiệu KM02A

Sơ đồ đấu nối mạch khuếch đại tín hiệu Keli với hệ thống loadcell

Sơ đồ đấu nối mạch khuếch đại tín hiệu Keli với hệ thống loadcell

- VOUT: 0~10 V (tín hiệu ra dạng áp)

- IOUT: 4~20 mA (tín hiệu ra dạng dòng)

- GND: Nguồn - 0 V

- 24V: Nguồn + 24 V.

✅ Cách cài đặt đầu ra cho bộ khuếch đại loadcell KM02A Keli

Để người dùng mới có thể sử dụng bộ khuếch đại tín hiệu loadcell Keli KM02A dễ dàng và hiệu quả, dưới đây là cách tùy chỉnh tín hiệu đầu ra cho bộ khuếch đại tín hiệu.

Cách 1: Chỉnh đầu ra kiểu dòng (4~20mA)

Vùng Zero thấp nhất của Bộ khuếch đại là khoảng 2.7 mA. Khi đầy tải sẽ được giới hạn trong khoảng 32 mA.

  • Bước 1: Kết nối và kiểm tra cẩn thận.
  • Bước 2: Sử dụng VOM thang đo dòng để đo dòng điện ra khi cài đặt tải trong tình huống tải rỗng (Vùng ZERO không tải). Điều chỉnh POT (Biến trở) tại vị trí có đánh dấu 'Zero' để tạo ra dòng điện hiện tại ở 4.000mA. Nếu bạn điều chỉnh POT theo chiều kim đồng hồ, đầu ra hiện tại sẽ tăng lên, nếu theo ngược chiều kim đồng hồ thì đầu ra dòng điện hiện tại sẽ giảm.
  • Bước 3: Đặt đầy tải hoặc một điểm tải như n% F.S lên cảm biến lực/cân/sàn cân, sau đó điều chỉnh POT ( Biến trở ) tại vị trí có được đánh dấu 'SPAN' để tạo ra dòng điện hiện tại ở 20.000 mA hoặc 4 + n% * 16. Cách điều chỉnh POT như bước trên.
  • Bước 4: Lặp lại bước 2, bước 3 cho đến khi kết quả là đúng theo yêu cầu.

Cách 2: Chỉnh đầu ra là kiểu Áp (0~5V hoặc 0~10V).

Điện áp thấp nhất tại vùng Zero đầu ra của bộ khuếch đại KM02 khoảng -0.3 V, khi đầy tải sẽ được giới hạn trong khoảng 10.7 V.

  • Bước 1: Kết nối và kiểm tra cẩn thận.
  • Bước 2: Sử dụng VOM thang đo điện áp để đo điện áp ra khi cài đặt tải trong tình huống tải rỗng. Điều chỉnh POT ( Biến trở ) tại vị trí có đánh dấu 'Zero' để tạo ra điện áp là 0.000 V. Nếu bạn điều chỉnh POT theo chiều kim đồng hồ, điện áp đầu ra sẽ tăng lên, nếu ngược ngược chiều kim đồng hồ thì điện áp sẽ giảm.
  • Bước 3: Đặt lên cảm biến/cân/sàn cân toàn bộ tải hoặc một điểm tải như n% F.S, sau đó điều chỉnh POT ( Biến trở ) tại vị trí được đánh dấu 'SPAN' để tạo ra điện áp ở 10.000V hoặc 10 * n% V. Cách điều chỉnh POT như các bước trên.
  • Bước 4: Lặp lại bước 2, bước 3 cho đến khi kết quả là đúng như yêu cầu.

KM02 được sử dụng trong các hệ thống cân để khuếch đại các tín hiệu loadcell

KM02 được sử dụng trong các hệ thống cân để khuếch đại các tín hiệu loadcell

✅ Một số lưu ý khi sử dụng bộ khuếch đại loadcell KM02

- Sau khi điều chỉnh đầu ra cho bộ KM02 ở các mức ZERO và SPAN. Bạn nên sử dụng những thứ đông lạnh như dầu đông cứng hoặc sáp để gắn các vít điều chỉnh của POT, để tránh rung động hoặc các lý do khác gây ra có thể ảnh hưởng đến POT làm sai lệch kết quả ở đầu ra.

- Đậy kín nắp, siết chặt ốc và siết chặt các phích cắm của các lỗ đấu dây để bảo vệ khỏi bụi và nước.

- Phạm vi cung cấp điện cho phép của bộ khuếch đại là DC15V ~ 24V, bạn nên sử dụng 15V, 18V hoặc 24V DC.

- Khi nhiệt độ môi trường trên 60℃, bạn nên đảm bảo rằng nguồn điện sẽ không được trên 24V.

- Trong các hệ thống điều khiển trạm trộn bê tông, việc sử dụng các bộ khuếch đại làm đơn giản hóa vấn đề giao tiếp giữa PLC (Bộ điều khiển lập trình đươc) với hệ thống cân.

- Kết nối PLC và đầu cân (cần hiểu rõ truyền thông giao tiếp, đôi khi vấn đề này cũng không đơn giản).

- Kết nối PLC và bộ khuếch đại (chỉ cần kết nối cổng Analog --> đơn giản hóa vấn đề giao tiếp --> được sử dụng rộng rãi)

Để nhận BÁO GIÁ và ĐẶT HÀNG nhanh nhất, quý khách hàng vui lòng liên hệ tới:

CÔNG TY CỔ PHẦN CÔNG NGHỆ TỰ ĐỘNG TÂN PHÁT

- Địa chỉ: VT32, LK4, KĐT Đại Thanh, Tả Thanh Oai, Thanh Trì, Hà Nội

- Hotline: 0963 966 866

- Email: tpautotech01@gmail.com

 

Loadcell SQB Keli

Liên hệ

Loadcell QSA Keli

Liên hệ

Loadcell QSD Keli

Liên hệ

Loadcell UDA Keli

Liên hệ